Advertisement

Interactive Personal Augmented Intelligent Assistant in Circuit Analysis Use Case 1

Enter highest number to show answer:
THEN CLICK HERE

Try 4

Enter highest number to show input box:
THEN CLICK HERE

Try 3

Enter highest number to show problem:
THEN CLICK HERE

Try 5
Show me the answer


Solved using AI expert system algorithm:
Answer, I1 =
Answer, I2 =
Answer, I3 =

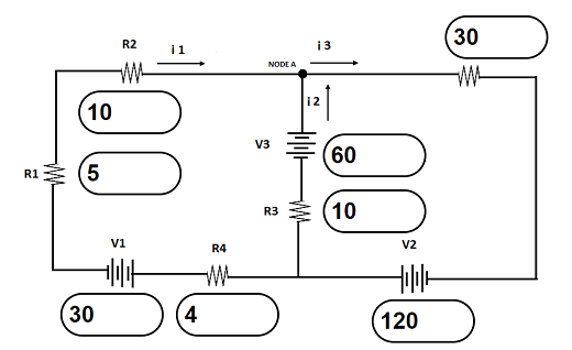
The negative current for I1 means, the actual current is flowing in opposite direction of the assumed current direction. The assumed current direction is clockwise rotation both for loop 1 and loop 2.

Show me the input box


R1 = 5 R2 = 10
R3 = 10 R4 = 4
R5 = 30

V1 = 30 V2 = 120
V3 = 60


Compute the current 1, current 2, and current 3
at that moment of time or at that instant.

I1 + I2 + I3 = Equation 1 is derived using KCL at intersection node A of current I1 , I2, and I3

Substitute the answer for I1, I2, I3 in equation 1, it should be very close to zero (0).
It means the answers are all correct.


I1 + I2 + I3 = Equation 2 is derived after simplified calculation of loop 1 using KVL. Here you are going to use the voltage drop created by I2 multiplied by resistor value of 10 ohms for KVL summation.

Substitute the answer for I1, I2, I3 in equation 2, it should be very close to
It means the answers are all correct.


I1 + I2 + I3 = Equation 3 is derived after simplified calculation of loop 2 using KVL

Substitute the answer for I1, I2, I3 in equation 2, it should be very close to
It means the answers are all correct.