You are expected to learn how to :
Compute the current I expected flowing in any RLC circuit.
Then compute the current I1 and I2
Then compute the expected total power consumption and then compute the power consumption of impedance load 1 Z1 and the power consumption of impedance load 2 Z2

🔗 Solve it once. Never Forget
IN-V-BAT-AI.

YT = 1 / ZT Explain why 1 / 4.472 ZT is not equal to Z=11.18 as shown by graphical complex number addition? Answer: The two impedances are not in series, so the complex number addition will not work because in parallel you compute the total impedance using the formula 1/Z1 + 1/Z2. To make the calculation easy admittance concept was introduced.
FORMULA RECALL : Y is the Admittance and Z is the Impedance.
Important to remember inductive load is represented by + J (positive reactance) and capacitive load - J (negative reactance) . This knowledge is very important because of the complex number conjugate when you are doing complex number division. This calculator embedded that reactance rule + j L (use positive for inductive load) and - J C (use negative for capacitive load) that affects the complex number conjugate. So be careful not to put negative sign in capacitive input box shown below. It's already accounted for.
Y 1 = 1 / Z1 =
+ J
Y 1 =
°
Memory recall knowledge of complex number division using conjugate.

Y 2 = 1 / Z2 =
+ J
Y 2 =
°
YT = Y 1 + Y 2 Total Admittance ,
YT = 1 / ZT
Y 1 + Y 2 =
+ J
Y 1 + Y 2 =
°
I = I 1 + I 2 = E * Y = Total Current
*
°
I =
°
I 1 = E * Y 1
*
I 1 =
I 2 = E * Y 2
*
I 2 =
I 1 =
+ J
I 2 =
+ J
I =
+ J
I =
P = E * I * Cos (-10.3049) =
*
*
=
Watts
P 1 = E * I1 * Cos (-36.87) =
*
*
=
Watts
P 2 = E * I2 * Cos (53.1303) =
*
*
=
Watts
Initial, I 1 = 17.68
magnitude. See above for angle in °
Initial, I 2 = 10.00
magnitude. See above for angle in °
Initial, I = 19.04 magnitude. See above for angle in °
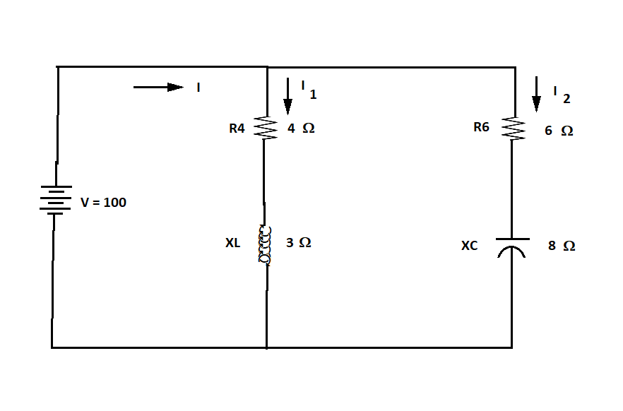
INITIAL DATA
R4 = 4
XL = 3
R6 = 6
XC = 8
V = 100
No need to add the negative sign for capacitive reactance because it is already embedded in the logical computation.
🔗 270
🔗 141
🔗 142
🔗 286
🔗 231
🔗 319
🔗 67
🔗 322
🔗 323
🔗 336
.
.
IN-V-BAT-AI is a valuable classroom tool that enhances both teaching and learning experiences. Here are some ways it can be utilized:
☑️ Personalized Learning : By storing and retrieving knowledge in the cloud, students can access tailored resources and revisit
concepts they struggle with, ensuring a more individualized learning journey.
☑️ Memory Support : The tool helps students recall information even when stress or distractions hinder their memory, making it
easier to retain and apply knowledge during homework assignments or projects.
☑️ Bridging Learning Gaps : It addresses learning loss by providing consistent access to educational materials, ensuring that
students who miss lessons can catch up effectively.
☑️ Teacher Assistance : Educators can use the tool to provide targeted interventions to support learning.
☑️ Stress Reduction : By alleviating the pressure of memorization, students can focus on understanding and applying concepts,
fostering a deeper engagement with the material.
📚 While most EdTech platforms focus on delivering content or automating classrooms, IN-V-BAT-AI solves a deeper problem: forgetting.
✨Unlike adaptive learning systems that personalize what you learn, IN-V-BAT-AI personalizes what you remember. With over 504 pieces of instantly retrievable knowledge, it's your cloud-based memory assistant—built for exam prep, lifelong learning, and stress-free recall.
"🧠 Forget less. Learn more. Remember on demand."
That's the IN-V-BAT-AI promise.
Understanding the difference between collaboration and automation

Augmented Intelligence is like a co-pilot: it accelerates problem-solving through trusted automation and decision-making, helping you recall, analyze, and decide — but it never flies solo.
Artificial Intelligence is more like an autopilot: designed to take over the controls entirely, often without asking.
IN-V-BAT-AI is a textbook example of Augmented Intelligence. It empowers learners with one-click recall, traceable results, and emotionally resonant memory tools. Our “Never Forget” promise isn't about replacing human memory — it's about enhancing it.

Note: This is not real data — it is synthetic data generated using Co-Pilot to compare and contrast IN-V-BAT-AI with leading EdTech platforms.


.
.
.
IN-V-BAT-AI just crossed 72,133 organic visits—no ads, just curiosity and word-of-mouth.
Every visit is a step toward forgetting less, recalling faster, and remembering on demand.
Never Forget. Learn on demand.
🔗 Subscribe| Year | Top 10 countries | Pages visited |
| 2023 | 1. USA 2. Great Britain 3. Germany 4. Canada 5. Iran 6. Netherlands 7. India 8. China 9. Australia 10. Philippines | 127,256 Pages / 27,541 Visitors |
| 2024 | 1. USA 2. China 3. Canada 4. Poland 5. India 6. Philippines 7. Great Britain 8. Australia 9. Indonesia 10. Russia | 164,130 Pages / 40,724 Visitors |
| Daily Site Visitor Ranking 11/16/2025 | 1. Israel 2. USA 3. Vietnam 4. China 5. Japan 6. India 7. Argentina 8. Australia 9. Brazil 10. Ukraine | Year to Date 206,859 Pages / 73,026 Visitors |